CON. PCF 7.50/02/180 3.5SN OR BX

Bornes para circuito impreso, 7.50 mm, Número de polos: 2, 180°, Longitud del terminal de soldadura (l): 3.5 mm, estañado, naranja, Conexión por terminales planos enchufables, Caja

N.º de artículo 9500620000

Homologaciones

Homologaciones
ROHS
UL File Number Search
Núm. de certificación (UR)

Datos generales para pedido

Versión
Código
Tipo
GTIN (EAN)
Cantidad
제품 데이터
Packaging

Dimensiones y pesos

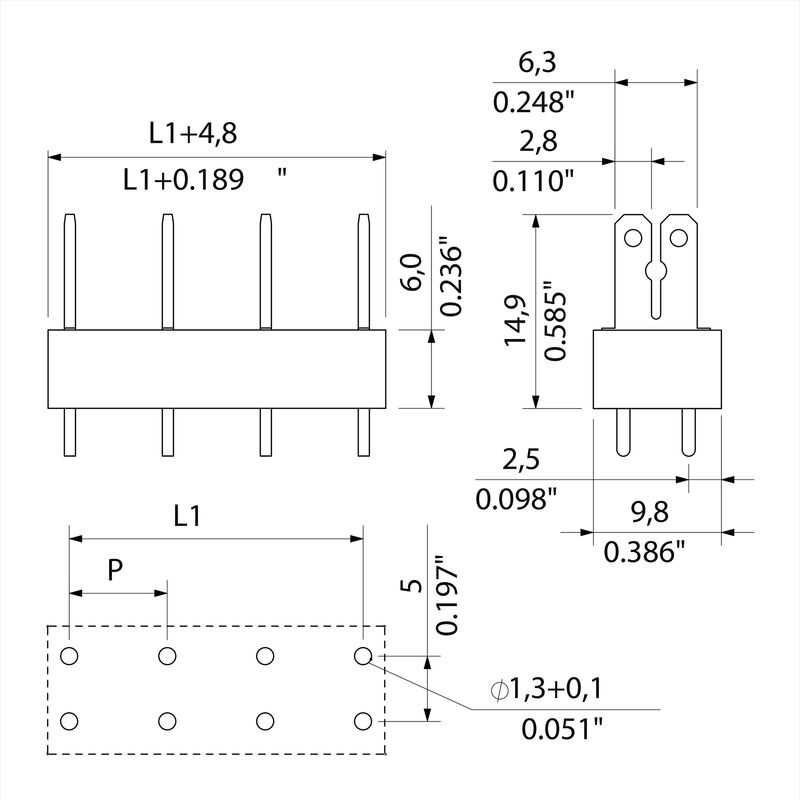
Profundidad
Profundidad (pulgadas)
Altura
Altura (pulgadas)
Altura construcción baja
Anchura
Anchura (pulgadas)
Peso neto

Conformidad medioambiental del producto

Estado de cumplimiento de la directiva RoHS
REACH SVHC

Parámetros del sistema

Familia del producto
Técnica de conexión de conductores
Montaje sobre placas c.i.
Dirección de salida de conductor
Paso en mm (P)
Paso en pulgadas (P)
Número de polos
Número de filas de polos
disponible por parte del cliente
Número de series
Longitud del terminal de soldadura (l)
Dimensiones del pin de soldadura
Diámetro de la perforación (D)
Tolerancia de diámetro de la perforación (D)
Número de terminales de soldadura por polo
L1 en mm
L1 en pulgadas
Protección contra contacto según DIN VDE 0470
Tipo de protección
Resistencia de paso

Datos del material

Materiales aislantes
Color
Carta de colores (similar)
Grupo de materiales aislantes
Índice de resistencia al encaminamiento eléctrico (CTI)
Grado inflamabilidad según UL 94
Material de contacto
Superficie de contacto
Estructura de capas de la conexión por soldadura
Temperatura de almacenamiento, min.
Temperatura de almacenamiento, max.
Temperatura de servicio, min.
Temperatura de servicio, max.
Gama de temperatura, montaje, min.
Gama de temperatura, montaje, max.

Conductores aptos para conexión

Texto de referencia

Datos nominales conformes a IEC

testado según la norma
Corriente nominal, número de polos mín. (Tu=20 °C)
Corriente nominal, número de polos máx. (Tu=20 °C)
Corriente nominal, número de polos mín. (Tu=40 °C)
Corriente nominal, número de polos máx. (Tu=40 °C)
Tensión nominal con categoría de sobretensión/grado de polución II/2
Tensión nominal con categoría de sobretensión/grado de polución III/2
Tensión nominal con categoría de sobretensión/grado de polución III/3
Tensión nominal con categoría de sobretensión/grado de polución II/2
Tensión nominal con categoría de sobretensión/grado de polución III/2
Sobretensión de choque nominal con categoría de sobretensión/grado de polución III/3
Resistencia a corrientes de corta duración

Datos nominales según CSA

Instituto (CSA)
Núm. de certificación (CSA)
Tensión nominal (Use Group B / CSA)
Tensión nominal (Use Group C / CSA)
Tensión nominal (Use group D / CSA)
Intensidad nominal (Use Group B / CSA)
Intensidad nominal (Use Group C / CSA)
Intensidad nominal (Use Group D / CSA)
Referencia para valores de homologación

Datos nominales según UL 1059

Instituto (UR)
Núm. de certificación (UR)
Tensión nominal (Use Group B / UL 1059)
Tensión nominal (Use Group C / UL 1059)
Tensión nominal (Use Group D / UL 1059)
Intensidad nominal (Use Group B / UL 1059)
Intensidad nominal (Use Group C / UL 1059)
Intensidad nominal (Use Group D / UL 1059)
Referencia para valores de homologación

Embalaje

Embalaje
Longitud de VPE
Anchura VPE
Altura de VPE

Pruebas tipo

Prueba: durabilidad de los marcajes

Indicación importante

Conformidad con IPC
Notas

Clasificaciones

ETIM 8.0
ETIM 9.0
ETIM 10.0
ECLASS 14.0
ECLASS 15.0