IE-AD-M12XRJ45-180

Adaptador, RJ45, M12, Cat.6A / Class EA (ISO/IEC 11801 2010), IP67, Conecor hembra M12 en conector hembra RJ45

Item No. 1400620000

Homologaciones

Homologaciones
ROHS
UL File Number Search
N.º de certificado (cULus)

Datos generales para pedido

Versión
Código
Tipo
GTIN (EAN)
Cantidad

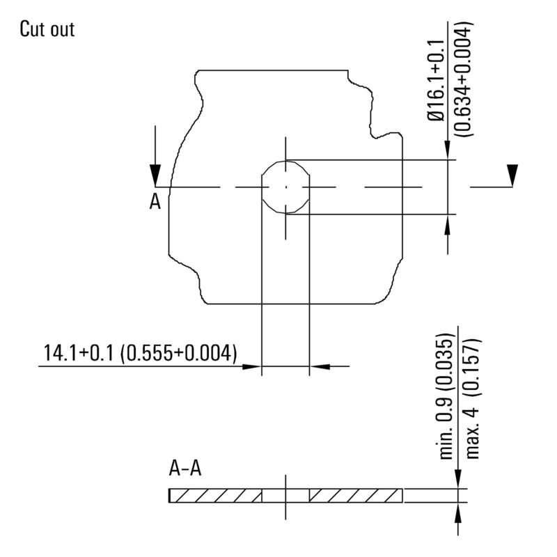
Dimensiones y pesos

Espesor de pared, mín.
Espesor de pared, máx.
Peso neto

Temperaturas

Temperatura de servicio

Conformidad medioambiental del producto

Estado de cumplimiento de la directiva RoHS
Exención RoHS (si procede/conocida)
REACH SVHC
SCIP

Datos técnicos conectores de libre configuración

Categoría
Ciclos de enchufado
Codificación
Material capotas
Material de contacto
Número de polos
Resistencia del aislamiento
Superficie de contacto
Tensión nominal
Tipo de protección

Datos generales

Número de polos
Conexión 1
Conexión 2
Descripción del artículo
Composición
Material capotas
Categoría
Rosca de conexión
Material de contacto
Superficie de contacto
Apantallamiento
Tipo de protección
Ciclos de enchufado

Propiedades eléctricas

Resistencia del aislamiento
Tensión nominal

Normas

Conector norma

Datos técnicos Aspectos generales

Ciclos de enchufado
Codificación
Material capotas
Material de contacto
Número de polos
Resistencia del aislamiento
Rosca de conexión
Superficie de contacto
Tensión nominal
Tipo de protección

Clasificaciones

ETIM 8.0
ETIM 9.0
ETIM 10.0
ECLASS 14.0
ECLASS 15.0