SV 7.62HP/11/180SF 3.5SN BK BX

Штекерный соединитель печатной платы, Штырьковый соединитель, Фланец на винтах/с фиксатором, Соединение THT под пайку, 7.62 mm, Количество полюсов: 11, 180°, Длина штифта для припайки (l): 3.5 mm, луженые, черный, Ящик

№ продукта 1930910000

Сертификаты

Сертификаты
ROHS
UL File Number Search
Сертификат № (cURus)

Основные данные для заказа

Версия
Заказ №
Тип
GTIN (EAN)
Кол.
Продуктное отношение
Упаковка

Размеры и массы

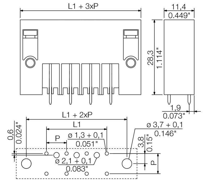
Глубина
Глубина (дюймов)
Высота
Высота (в дюймах)
Высота, мин.
Ширина
Ширина (в дюймах)
Масса нетто

Экологическое соответствие изделия

Состояние соответствия RoHS
REACH SVHC

Системные характеристики

Серия изделия
Вид соединения
Монтаж на печатной плате
Шаг в мм (P)
Шаг в дюймах (P)
Количество полюсов
Количество контактных штырьков на полюс
Длина штифта для припайки (l)
Допуск на длину выводов под пайку
Размеры выводов под пайку
Диаметр отверстия припойного ушка (D)
Допуск на диаметр отверстия припойного ушка (D)
L1 в мм
L1 в дюймах
Количество рядов
Количество полюсных рядов
Защита от прикосновения согласно DIN VDE 57 106
Защита от прикосновения согласно DIN VDE 0470
Вид защиты
Объемное сопротивление
Кодируемый
Момент затяжки винта фланца, мин.
Момент затяжки винта фланца, макс.
Циклы коммутации
Момент затяжки

Данные о материалах

Изоляционный материал
Цветовой код
Таблица цветов (аналогич.)
Группа изоляционного материала
Сравнительный показатель пробоя (CTI)
Класс пожаростойкости UL 94
Материал контакта
Поверхность контакта
Структура слоев соединения под пайку
Структура слоев штепсельного контакта
Температура хранения, мин.
Температура хранения, макс.
Рабочая температура, мин.
Рабочая температура, макс.
Температурный диапазон монтажа, мин.
Температурный диапазон монтажа, макс.

Номинальные характеристики по IEC

пройдены испытания по стандарту
Номинальный ток, мин. кол-во контактов (Tu = 20 °C)
Номинальный ток, макс. кол-во контактов (Tu = 20 °C)
Номинальный ток, мин. кол-во контактов (Tu = 40 °C)
Номинальный ток, макс. кол-во контактов (Tu = 40 °C)
Номинальное импульсное напряжение при категории помехозащищенности/Категория загрязнения II/2
Номинальное импульсное напряжение при категории помехозащищенности/Категория загрязнения III/2
Номинальное импульсное напряжение при категории помехозащищенности/Категория загрязнения III/3
Номинальное импульсное напряжение при категории помехозащищенности/Категория загрязнения II/2
Номинальное импульсное напряжение при категории помехозащищенности/Категория загрязнения III/2
Номинальное импульсное напряжение при категории помехозащищенности/Категория загрязнения III/3
Устойчивость к воздействию кратковременного тока
Зазор, мин.
Расстояние утечки, мин.

Номинальные характеристики по CSA

Институт (CSA)
Сертификат № (CSA)
Номинальное напряжение (группа использования B/CSA)
Номинальное напряжение (группа использования C/CSA)
Номинальное напряжение (группа использования D/CSA)
Номинальный ток (группа использования B/CSA)
Номинальный ток (группа использования C/CSA)
Номинальный ток (группа использования D/CSA)
Ссылка на утвержденные значения

Номинальные характеристики по UL 1059

Институт (cURus)
Сертификат № (cURus)
Номинальное напряжение (группа использования B/UL 1059)
Номинальное напряжение (группа использования C/UL 1059)
Номинальное напряжение (группа использования D/UL 1059)
Номинальное напряжение (группа использования F/UL 1059)
Номинальный ток (группа использования B/UL 1059)
Номинальный ток (группа использования C/UL 1059)
Номинальный ток (группа использования D/UL 1059)
Номинальный ток (группа использования F/UL 1059)
Разделительное расстояние, мин.
Расстояние утечки, мин.
Ссылка на утвержденные значения

Упаковка

Упаковка
Длина VPE
VPE с
Высота VPE

Важное примечание

Соответствие IPC
Примечания

Классификации

ETIM 8.0
ETIM 9.0
ETIM 10.0
ECLASS 14.0
ECLASS 15.0