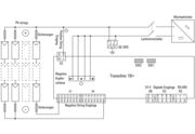
TRANSCLINIC 16I+ 1K5 L

Photovoltaics, Current monitoring, 16-channel, 1500 V

Product ID 2433950000

Approvals

Approvals
ROHS

General ordering data

Version
Order No.
Type
GTIN (EAN)
Qty.

Dimensions and weights

Height
Height (inches)
Width
Width (inches)
Length
Length (inches)
Net weight

Temperatures

Continuous operating temp., min.
Continuous operating temp., max.
Humidity at operating temperature

Environmental Product Compliance

RoHS Compliance Status
REACH SVHC

Technical data

Altitude
Communication
current measuring
Maximum current per string
Maximum number of strings
Number of digital inputs
Pollution severity
Rated voltage
Standards
String-current measurement error
String-voltage measurement error
Supply current
Supply voltage

Classifications

ETIM 8.0
ETIM 9.0
ETIM 10.0
ECLASS 14.0
ECLASS 15.0