RJ45G1 R12D 3.2E4YG/YG RL

OMNIMATE Data - RJ45 átalakító dugasz, NYÁK dugaszoló csatlakozó, THT/THR-forrasztott csatlakozással, 90°, bottom, 6 tabs, Igen, Dugaszolási ciklusok: 750, Pólusszám: 8, PA 9T, 30...80 µ" Ni / ≥ 30 µ" Au , Tape

Cikkszám 2036510000

Tanúsítványok

Jóváhagyások
ROHS
UL File Number Search
Tanúsítvány száma (cURus)

Általános rendelési adatok

Változat
Rendelési szám
Típus
GTIN (EAN)
Qty.
Csomagolás

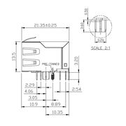
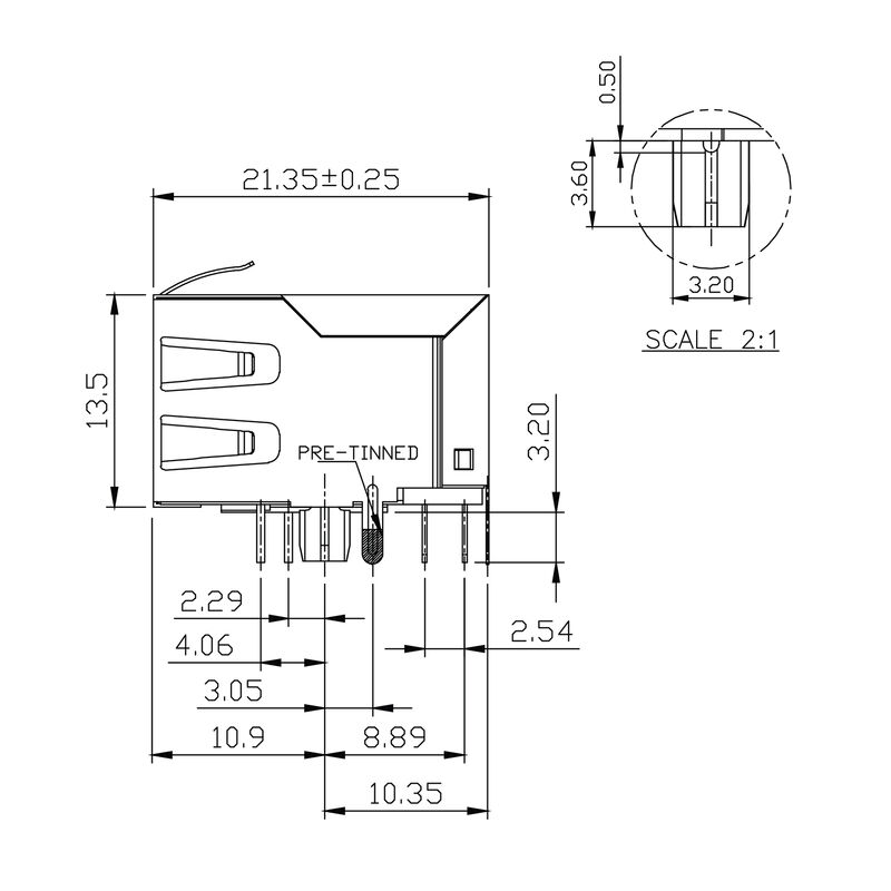
Méretek és tömegek

Mélység
Mélység (coll)
Magasság
Magasság (coll)
Legalacsonyabb változat magassága
Szélesség
Szélesség (coll)
Nettó tömeg

Termékek környezetvédelmi megfelelősége

RoHS megfelelőségi állapot
REACH SVHC

Rendszerspecifikációk

Colour of left LED
Colour of right LED
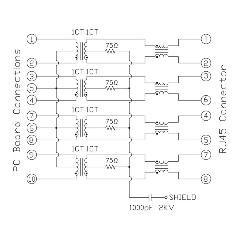
Csatlakozás típusa
Dugaszolási ciklusok
Felszerelés NYÁK-ra
Feszültség, max.
Feszültség, min.
Forrasztási eljárás
Forrasztószem lyukátmérő (D)
Forrasztószem lyukátmérő tűrés (D)
Forrasztótüske hossza (l)
Forrasztótüske méretei
Forrasztótüskék száma pólusonként
Kimenő könyök
LED
Oldalsó kivezetés, jellemzők
Pólusszám
Raszter inch-ben (P)
Raszter mm-ben (P)
Retesz opció
Shield tabs
Teljesítménykategória
Termékcsalád
Tolerance of solder pin position
Vezetékezés
Védelmi osztály
Áram
Árnyékolás
Árnyékolás felülete
Árnyékoló anyag
Átviteli sebesség

Electrical properties

Névleges feszültség
Névleges áram
Szigetelési ellenállás
Átütési szilárdság, érintkező / árnyékolás
Átütési szilárdság, érintkező / érintkező

Standards

Csatlakozó, standard

Anyagjellemzők

Szigetelőanyag
Szín
Színskála (hasonló)
Szigetelőanyag csoport
Kúszóútképzési összehasonlítási szám (CTI)
Szigetelési ellenállás
Moisture Level (MSL)
UL 94 éghetőségi osztály
Érintkező alapanyaga
Érintkező anyaga
Érintkező felület
Dugaszolható csatlakozás rétegszerkezete
Tárolási hőmérséklet, min.
Tárolási hőmérséklet, max.
Üzemi hőmérséklet, min.
Üzemi hőmérséklet, max.

Csomagolás

Csomagolás
VPE hosszúság
VPE szélesség
VPE magasság
Dobos tekercs átmérője ∅ (A)
Felületi ellenállás

Besorolások

ETIM 6.0
ETIM 7.0
ETIM 8.0
ETIM 9.0
ETIM 10.0
ECLASS 9,1
ECLASS 10.0
ECLASS 11.0
ECLASS 12.0
ECLASS 13.0
ECLASS 14.0
ECLASS 15.0