HDC-CM-4SZF AG

HDCコネクタ, HDC挿入, ConCept モジュール

商品番号 1730120000

承認

認可
ROHS
UL File Number Search
証明書番号(UR)

一般注文データ

バージョン
注文番号
種別
GTIN (EAN)
数量

寸法と重量

深さ
奥行き(インチ)
高さ
高さ(インチ)
幅(インチ)
長さ
長さ(インチ)
正味重量

環境製品コンプライアンス

RoHS 対応状況
RoHS 適用除外(該当する場合/既知の場合)
REACH SVHC
SCIP

ConCept空圧モジュール

UL 94 可燃性等級

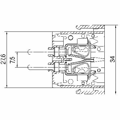
寸法

プラグの高さ
ベースの全長

一般データ

DIN EN 45545-2準拠の低排煙性
UL 94 可燃性等級
サージ電圧カテゴリー
シリーズ
プラギング回数
体積抵抗
基本材質
定格インパルス電圧(DIN EN 61984)
定格電圧 (DIN EN 61984)
定格電流 (DIN EN 61984)
接続方式
極数
汚染度
種別
絶縁抵抗

接続データPE

接続種別 PE

バージョン

体積抵抗
基本材質
導体接続断面積 AWG、最大.
導体断面、最大
導体断面、最小
接続方式
被覆剝き長さ、定格接続
配線接続断面 AWG、最小

分類

ETIM 8.0
ETIM 9.0
ETIM 10.0
ECLASS 14.0
ECLASS 15.0