PB-DP SUB-D M12 35 T

SUB-D

Référence produit 1368780000

Agréments

ROHS

Informations générales de commande

Version
Référence
Type
GTIN (EAN)
Qté.

Dimensions et poids

Profondeur
Profondeur (pouces)
Hauteur
Hauteur (pouces)
Largeur
Largeur (pouces)
Poids net

Températures

Humidité

Conformité environnementale du produit

Statut de conformité RoHS
Exemption RoHS (le cas échéant/connue)
REACH SVHC
SCIP

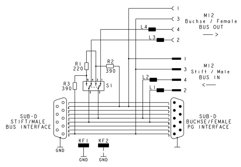
Caractéristiques techniques pour connecteur SUB-D

Angle de sortie
BUS, interface câble
Connecteur enfichable, et brochage
Couple de serrage
Cycles d'enfichage
Humidité
Interface BUS
Interface de programmation
Matériau de base du boîtier
Plage de températures du coffret
Résistance de terminaison
Verrouillage
Vitesse de transmisssion

Classifications

ETIM 8.0
ETIM 9.0
ETIM 10.0
ECLASS 14.0
ECLASS 15.0