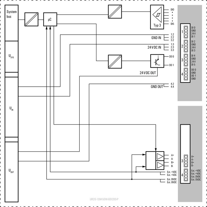
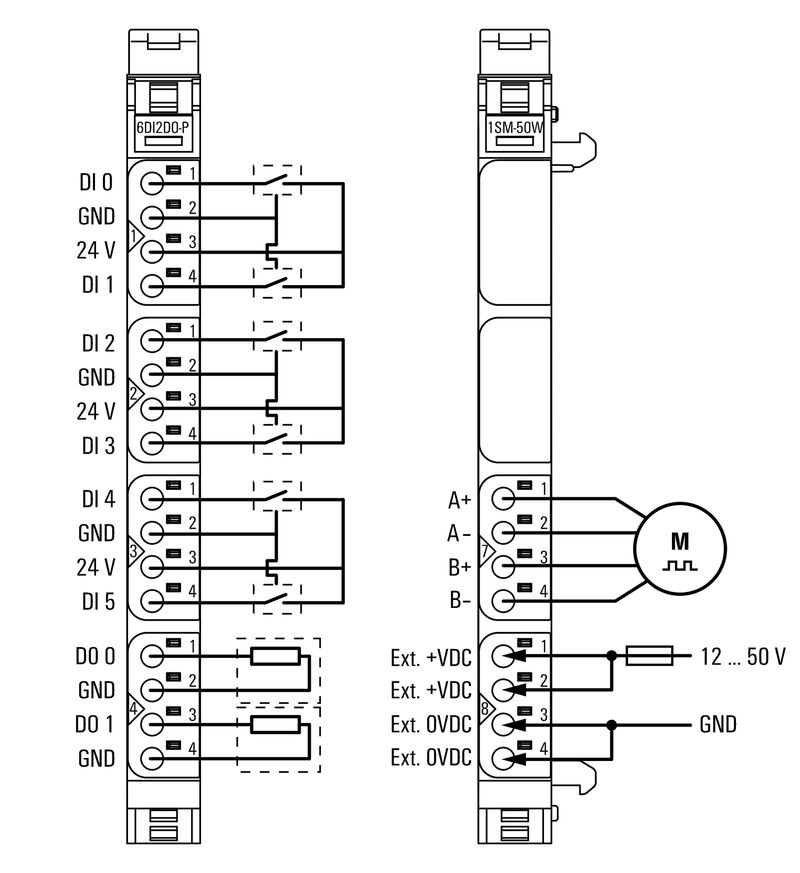
UR20-1SM-50W-6DI2DO-P

Módulo de E/S remoto, IP20, Señales digitales, Módulo especial

N.º de artículo 2489830000

Homologaciones

Homologaciones
ROHS
UL File Number Search
N.º de certificado (cULus)
N.º de certificado (cULusEX)

Datos generales para pedido

Versión
Código
Tipo
GTIN (EAN)
Cantidad

Dimensiones y pesos

Profundidad
Profundidad (pulgadas)
Altura
Altura (pulgadas)
Anchura
Anchura (pulgadas)
Medida de fijación, altura
Peso neto

Temperaturas

Temperatura de almacenamiento
Temperatura de servicio

Conformidad medioambiental del producto

Estado de cumplimiento de la directiva RoHS
Exención RoHS (si procede/conocida)
REACH SVHC
SCIP

salidas digitales

Carga inductiva (DC13)
Carga óhmica (mín. 47 Ω)
Conexión de actuadores
Conexión de protección
Conexión de sensor
Diagnóstico de canales individuales
Diagnóstico de módulo
Energía de desconexión (inductiva)
Número
Potencia de lámpara (12 W)
Resistente a cortocircuitos
Salidas (según IEC 61131-2)
Salidas digitales
Salidas digitales
Sin realimentación
Tiempo máx. de respuesta, alto
Tiempo máx. de respuesta, bajo

Datos de conexión

Conexiones de motor de pasos
Número
Sección de conexión del conductor, flexible, max.
Sección de conexión del conductor, flexible, máx. (AWG)
Sección de conexión del conductor, flexible, mín.
Sección de conexión del conductor, flexible, mín. (AWG)
Sección de conexión del conductor, rígido, max.
Sección de conexión del conductor, rígido, min.
Sección de conexión del conductor, rígido, máx. (AWG)
Sección de conexión del conductor, rígido, mín. (AWG)
Tipo de conexión

Datos generales

Carril de montaje
Categoría de sobretensión
Grado de polución
Grado inflamabilidad según UL 94
Humedad del aire (almacenamiento)
Humedad del aire (funcionamiento)
Humedad del aire (transporte)
Presión del aire (almacenamiento)
Presión del aire (funcionamiento)
Presión del aire (transporte)
Resistencia a vibraciones
Shock
Tensión de prueba

Alimentación

Consumo de corriente de la fuente de alimentación externa
Consumo de corriente desde IENTRADA (el correspondiente segmento de alimentación)
Consumo de corriente desde ISALIDA (el correspondiente segmento de alimentación)
Consumo de corriente desde Isys, typ.
Protección de polaridad
Tensión de alimentación

Datos del sistema

Conexión
Interfaz
Protocolo bus de campo
Separación galvánica
Tipo de módulo
Velocidad de transmisión bus de sistema, máx.

Clasificaciones

ETIM 6.0
ETIM 7.0
ETIM 8.0
ETIM 9.0
ETIM 10.0
ECLASS 9.0
ECLASS 9.1
ECLASS 10.0
ECLASS 11.0
ECLASS 12.0
ECLASS 13.0
ECLASS 14.0
ECLASS 15.0