DRL573110L

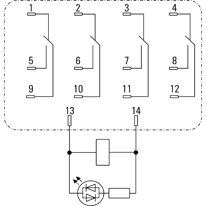
D-SERIES DRL, Relé, Počet kontaktů: 4, CO contact AgSnO, Jmenovité řídicí napětí: 110 V DC, Trvalý proud: 10 A, Lopatkové konektory (4,8 mm x 0,5 mm), Testovací tlačítko k dispozici: No

ID výrobku 2765290000

Osvědčení

Schválení
ROHS
UL File Number Search
Č. osvědčení (cURus)

Všeobecné objednací údaje

Verze
Číslo objednávky
Typ
GTIN (EAN)
Množství

Rozměry a hmotnosti

Hloubka
Hloubka (v palcích)
Výška
Výška (v palcích)
Šířka
Šířka (v palcích)
Čistá hmotnost

Teploty

Skladovací teplota
Okolní teplota
Vlhkost

Shoda produktu s prostředím

Stav souladu se směrnicí RoHS
REACH SVHC

Jmenovité údaje UL

Č. osvědčení (cURus)

Řídící strana

Jmenovité řídicí napětí
Jmenovitý proud DC
Jmenovité výkonové údaje
Odpor cívky
Ukazatel stavu

Strana zátěže

Rated switching voltage
Trvalý proud
Max. četnost spínání při jmenovité zátěži
Max. spínací napětí, AC
Min. spínací výkon
Špičkový proud
AC spínací výkon (odporový), max.
DC spínací výkon (odporový), max.
Odložení zapnutí
Odložení vypnutí
Typ kontaktu
Mechanická životnost

Obecné údaje

Testovací tlačítko k dispozici
Indikátor pozice mechanického přepínače
Barevný
Komponent s klasifikací hořlavosti UL 94

Koordinace izolace

Jmenovité napětí
Závažnost znečištění
Kategorie rázového napětí
Skupina izolačního materiálu
Uvolnění a povrchové vzdálenosti, kontrolní strana - strana zátěže
Dielektrická pevnost, kontrolní strana - strana zátěže
Dielektrická pevnost sousedních kontaktů
Dielektrická pevnost otevřeného kontaktu
Impulse withstand voltage
Stupeň krytí

Další detaily o certifikacích / normách

Č. osvědčení (cURus)

Data připojení

Metoda připojení vodiče

Klasifikace

ETIM 8.0
ETIM 9.0
ETIM 10.0
ECLASS 14.0
ECLASS 15.0