VSSC6TRSLFGLD24VUC 0.5A

Защита от перенапряжения - измерение, управление, регулировка, Защита от перенапряжения для контрольных и измерительных устройств

№ продукта 1064500000

Сертификаты

Сертификаты
ROHS
UL File Number Search
Сертификат № (UL)

Основные данные для заказа

Версия
Заказ №
Тип
GTIN (EAN)
Кол.

Размеры и массы

Глубина
Глубина (дюймов)
Высота
Высота (в дюймах)
Ширина
Ширина (в дюймах)
Масса нетто

Температуры

Температура хранения
Рабочая температура
Влажность

Вероятность сбоя

SIL согласно IEC 61508
MTTF
SFF
λges
PFH в 1*10-9 1/ч

Экологическое соответствие изделия

Состояние соответствия RoHS
Исключение из RoHS (если применимо/известно)
REACH SVHC
SCIP

Расчетные данные UL

Сертификат № (UL)
Сертификат UL

Защита данных CSA

Внутренняя емкость, макс. Cвн.
Внутренняя индуктивность, макс. Lвн.
Входное напряжение, макс. Uвх.
Входной ток, макс. II
Группа газа D
Группа газа С
Группы газа А, В

Общие данные

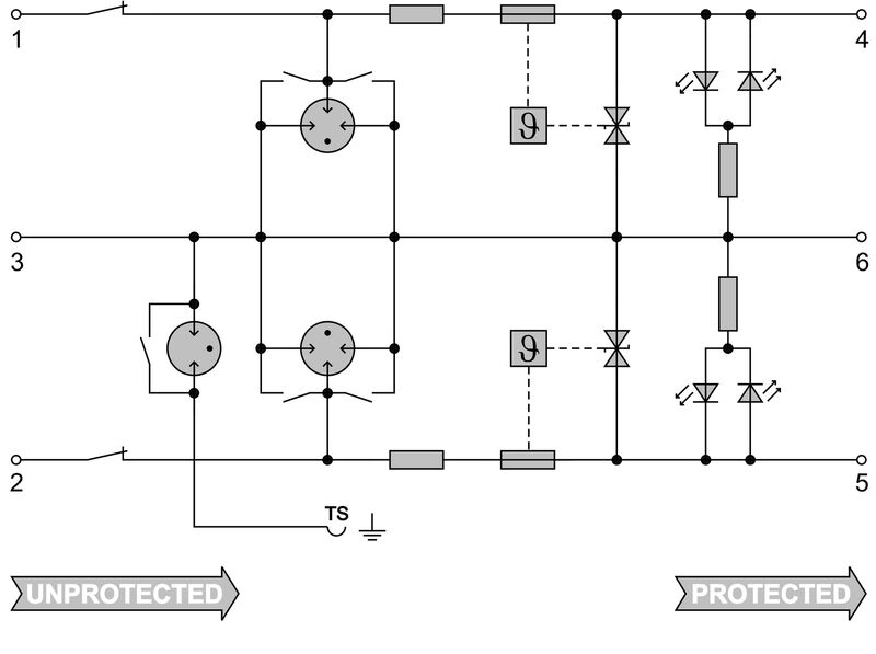
Вид защиты
Возможность проверки
Исполнение
Класс пожаростойкости UL 94
Конструкция
Оптическая индикация работы
Сегмент
Укомплектованная монтажная рейка
Функция размыкания
Цветовой код

Соответствие стандартам по изоляции (EN 50178)

Категория перенапряжения
Степень загрязнения

Номинальные характеристики IEC / RU

Вносимые потери
Диэлектрическая прочность плавающего заземления по отношению к проводнику PE
Защита предохранителем
Импульсный ток сопротивления C2
Импульсный ток сопротивления C3
Импульсный ток сопротивления D1
Испытательный разрядный ток, Iимп (10/350 мкс) провод - защитное заземление
Испытательный разрядный ток, Iимп (10/350 мкс)
Класс требований согласно IEC 61643-21
Количество полюсов
Макс. продолжительное напряжение, Uc (AC)
Макс. продолжительное напряжение, Uc (DC)
Номинальное напряжение (AC)
Номинальное напряжение (DC)
Номинальный ток нагрузки IL
Номинальный ток, IN
Нормы
Объемное сопротивление
Разрядный ток, In (8/20 мкс), корпус (GND) – защ. заземление (PE)
Разрядный ток, Iн (8/20 мкс), провод – защ. заземление (PE)
Способность сброса разряда
Тип напряжения
Тип отказа при перегрузке
Ток утечки в Un
Ток утечки, Iмакс. (8/20 мкс), корпус (GND) – защ. заземление (PE)
Ток утечки, Iмакс. (8/20 мкс), провод – защ. заземление (PE)
Ток утечки, макс. (8/20 мкс)
Уровень защиты со стороны выхода, предварительная проводка 1 кВ/µс, типичный
Характеристики передачи сигнала (-3 дБ)

Дополнительные сведения о сертификатах

Сертификат GOST

Размеры

Длина зачистки изоляции
Вид соединения
Момент затяжки, мин.
Момент затяжки, макс.
Диапазон зажима, мин.
Диапазон зажима, макс.
Сечение подключаемого провода, одножильного, мин.
Сечение подключаемого проводника, однопроволочного, макс.
Сечение подключаемого провода, многожильного, 46228 AEH (DIN 46228-1), макс.
Сечение подключаемого провода, многожильного, 46228 AEH (DIN 46228-1), макс.
Сечение подсоединяемого провода, скрученный, мин.
Сечение подсоединяемого провода, скрученный, макс.

Электрические параметры

Тип напряжения

Общие параметры

Количество полюсов
Вид защиты
Цветовой код

Номинальные характеристики IECEx/ATEX/cUL

Сертификат cUL

Важное примечание

Сведения об изделии

Классификации

ETIM 8.0
ETIM 9.0
ETIM 10.0
ECLASS 14.0
ECLASS 15.0

Тендерные спецификации

Подробная спецификация
Краткая спецификация