LSF-SMT 7.62/05/180 3.5SN BK TU

Bloc de jonction pour circuit imprimé, 7.62 mm, Nombre de pôles: 5, 180°, Longueur du picot à souder (l): 3.5 mm, noir, PUSH IN avec actionneur, Plage de serrage, max. : 1.5 mm², Tube

Référence produit 1826240000

Agréments

Agréments
ROHS
UL File Number Search
Certificat Nº (cURus)

Informations générales de commande

Version
Référence
Type
GTIN (EAN)
Qté.
Indices de produit
Emballage

Dimensions et poids

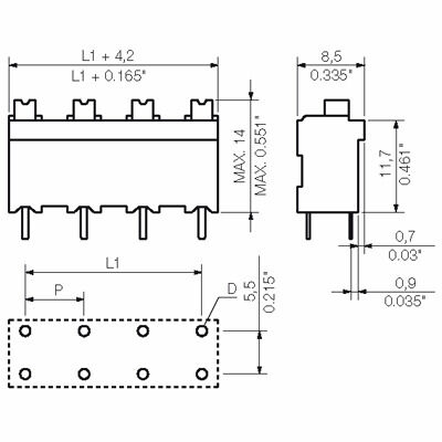
Profondeur
Profondeur (pouces)
Hauteur
Hauteur (pouces)
Hauteur version la plus basse
Largeur
Largeur (pouces)
Poids net

Températures

Température d'utilisation permanente, max.

Conformité environnementale du produit

Statut de conformité RoHS
REACH SVHC

Paramètres du système

Famille de produits
Technique de raccordement de conducteurs
Montage sur le circuit imprimé
Orientation de la sortie du conducteur
Pas en mm (P)
Pas en pouces (P)
Nombre de pôles
Nombre de pôles
Juxtaposables côté client
Nombre de séries
Longueur du picot à souder (l)
Tolérance sur la longueur du picot à souder
Dimensions du picot à souder
Dimension du picot à souder = tolérance d
Diamètre du trou d'implantation (D)
Tolérance du diamètre du trou d'implantation (D)
Nombre de picots par pôle
Longueur de dénudage
L1 en mm
L1 en pouce
Protection au toucher selon DIN VDE 0470
Protection au toucher selon DIN VDE 57 106
Degré de protection
Résistance de passage

Données des matériaux

Matériau isolant
Couleur
Tableau des couleurs (similaire)
Groupe de matériaux isolants
Indice de Poursuite Comparatif (CTI)
Moisture Level (MSL)
Classe d'inflammabilité selon UL 94
Matériau des contacts
Structure en couches du raccordement soudé
Température de stockage, min.
Température de stockage, max.
Température de fonctionnement , min.
Température de fonctionnement , max.
Plage de température montage, min.
Plage de température montage, max.

Conducteurs indiqués pour raccordement

Plage de serrage, min.
Plage de serrage, max.
Section de raccordement du conducteur, AWG, min.
Section de raccordement du conducteur, AWG, max.
Rigide, min. H05(07) V-U
Rigide, max. H05(07) V-U
souple, min. H05(07) V-K
souple, max. H05(07) V-K
avec embout isolé DIN 46 228/4, min.
avec embout isolé DIN 46 228/4, max.
avec embout, DIN 46228 pt 1, min.
avec embout selon DIN 46 228/1, max.
Raccordement
Texte de réference

Données nominales selon CEI

testé selon la norme
Courant nominal, nombre de pôles min. (Tu = 20 °C)
Courant nominal, nombre de pôles max. (Tu = 20 °C)
Courant nominal, nombre de pôles min. (Tu = 40 °C)
Courant nominal, nombre de pôles max. (Tu = 40 °C)
Tension de choc nominale pour classe de surtension/Degré de pollution II/2
Tension de choc nominale pour classe de surtension/Degré de pollution III/2
Tension de choc nominale pour classe de surtension/Degré de pollution III/3
Tension de choc nominale pour classe de surtension/Degré de pollution II/2
Tension de choc nominale pour classe de surtension/Degré de pollution III/2
Tension de choc nominale pour classe de surtension/Degré de pollution III/3
Tenue aux courants de faible durée

Données nominales selon CSA

Tension nominale (groupe d'utilisation B / CSA)
Tension nominale (groupe d'utilisation C / CSA)
Tension nominale (groupe d'utilisation D / CSA)
Courant nominal (groupe d'utilisation B / CSA)
Courant nominal (groupe d'utilisation C / CSA)
Courant nominal (groupe d'utilisation D / CSA)
Section de raccordement de câble AWG, min.
Section de raccordement de câble AWG, max.

Données nominales selon UL 1059

Institut (cURus)
Certificat Nº (cURus)
Tension nominale (groupe d'utilisation B / UL 1059)
Tension nominale (groupe d'utilisation C / UL 1059)
Tension nominale (groupe d'utilisation D / UL 1059)
Courant nominal (groupe d'utilisation B / UL 1059)
Courant nominal (groupe d'utilisation C / UL 1059)
Courant nominal (groupe d'utilisation D / UL 1059)
Section de raccordement de câble AWG, min.
Section de raccordement de câble AWG, max.
Référence aux valeurs approuvées

Emballage

Emballage
Longueur VPE
Largeur VPE
Hauteur VPE
Résistance de la surface

Contrôles de type

Test : durabilité des marquages
Test : section à fixer
Test des dommages causés aux et au desserrage accidentel des conducteurs
Test de décrochage

Note importante

Conformité IPC
Remarques

Classifications

ETIM 6.0
ETIM 7.0
ETIM 8.0
ETIM 9.0
ETIM 10.0
ECLASS 9.0
ECLASS 9.1
ECLASS 10.0
ECLASS 11.0
ECLASS 12.0
ECLASS 13.0
ECLASS 14.0
ECLASS 15.0