RJ45M T1D 3.2E4N TY

Este producto pronto dejará de estar disponible.

Última fecha de pedido: /Date(1798671600000)/

Datos OMNIMATE - jack transformador de conectores RJ45, Conector para placa c.i., Conexión por soldadura THT, 90°, inferior, 6 tabs, No, Ciclos de enchufado: 750, Número de polos: 8, PA 6T, 30...80 µ" Ni / ≥ 30 µ" Au , Bandeja (conjunto manual)

N.º de artículo 2474160000

Homologaciones

Homologaciones
ROHS
UL File Number Search
Núm. de certificación (cURus)

Datos generales para pedido

Versión
Código
Tipo
GTIN (EAN)
Cantidad
Embalaje
Estado de entrega
Última fecha de pedido

Dimensiones y pesos

Profundidad
Profundidad (pulgadas)
Altura
Altura (pulgadas)
Altura construcción baja
Anchura
Anchura (pulgadas)
Peso neto

Conformidad medioambiental del producto

Estado de cumplimiento de la directiva RoHS
REACH SVHC

Especificación del sistema

Angulo de salida
Anilla de apantallado
Anslutningstyp
Categoría de rendimiento
Ciclos de enchufado
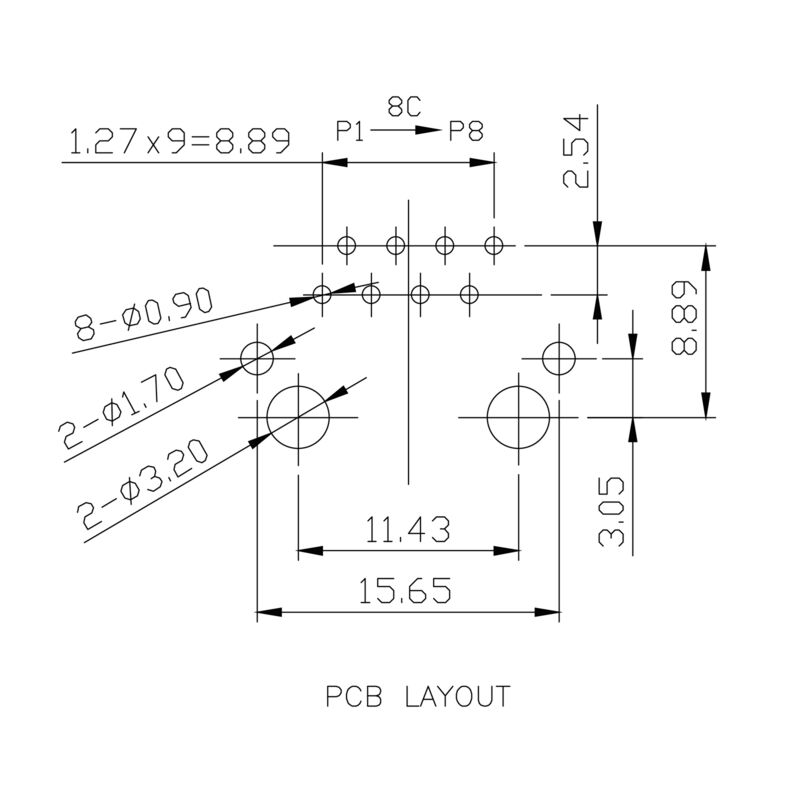
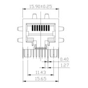
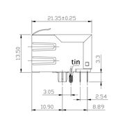
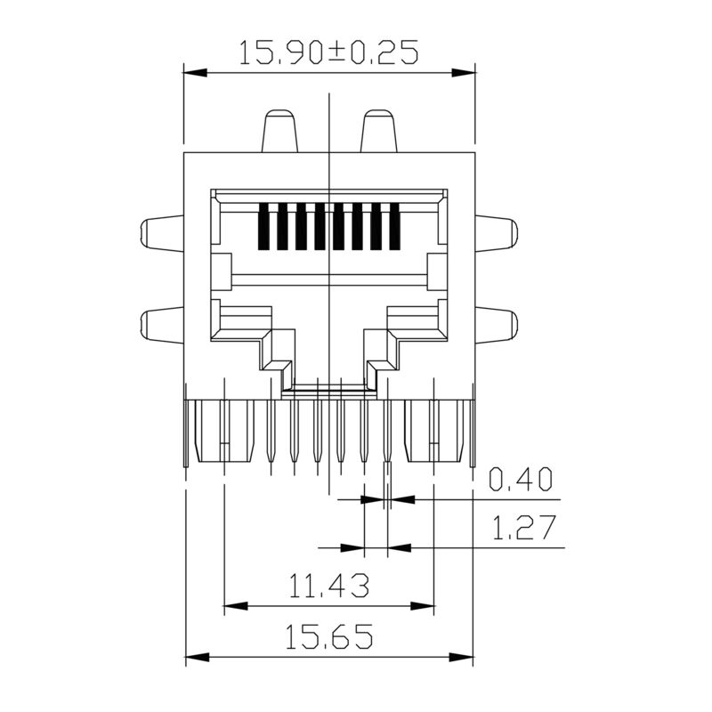
Dimensiones del pin de soldadura
Familia del producto
LED
Modo de conexión
Mounting onto the PCB
Opción de bloqueo
Paso en mm (P)
Pitch in inches (P)
Procedimiento de soldadura
Shielding material
Solder eyelet hole diameter (D)
Solder pin length (l)
Superficie de apantallado
Szybkość przesyłania danych
Tipo de protección
Tolerancia de posición del terminal de soldadura
Uscita laterale, proprietà
Árnyékolás
Количество контактных штырьков на полюс
Количество полюсов
솔더 구멍 직경 공차(D)

Propiedades eléctricas

Corriente nominal
Resistencia a tensiones eléctricas, contacto/apantallado
Resistencia a tensiones eléctricas, contacto/contacto
Resistencia del aislamiento
Tensión nominal

Normas

Conector norma

Datos del material

Materiales aislantes
Color
Carta de colores (similar)
Grupo de materiales aislantes
Índice de resistencia al encaminamiento eléctrico (CTI)
Resistencia del aislamiento
Grado inflamabilidad según UL 94
Material del contacto
Material de contacto
Superficie de contacto
Estructura de capas del contacto del conector
Temperatura de almacenamiento, min.
Temperatura de almacenamiento, max.
Temperatura de servicio, min.
Temperatura de servicio, max.

Embalaje

Embalaje
Longitud de VPE
Anchura VPE
Altura de VPE

Imágenes del producto

Título de ilustración-12

Clasificaciones

ETIM 8.0
ETIM 9.0
ETIM 10.0
ECLASS 14.0
ECLASS 15.0