SAIL-VSCD-5.0Q

Кабель клапана (в сборе), Открытый конец кабеля - клапанный разъем, Конструкция C DIN (8 мм), Длина кабеля: 5 m, черный

№ продукта 1935980500

Сертификаты

Сертификаты
ROHS

Основные данные для заказа

Версия
Заказ №
Тип
GTIN (EAN)
Кол.

Размеры и массы

Масса нетто

Экологическое соответствие изделия

Состояние соответствия RoHS
REACH SVHC

Технические характеристики кабеля

Возможно использование с троссом для протяжки
Галогены
Диапазон температур, движущ.
Диапазон температур, стацион.
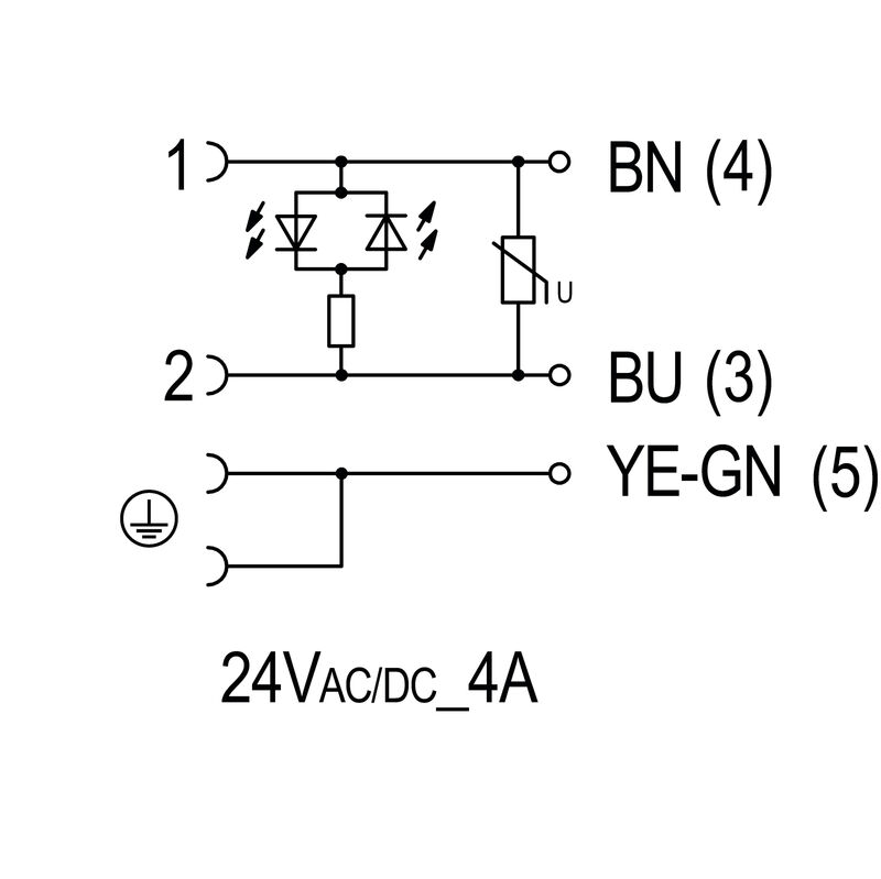
Длина кабеля
Количество контактов
Наружный диаметр
Поперечное сечение жилы
Цвет оболочки

PB46 Общие технические данные

LED
Блок схемной защиты
Вид защиты
Диапазон температур корпуса
Исполнение
Кодировка
Номинальное напряжение
Номинальный ток

Классификации

ETIM 6.0
ETIM 7.0
ETIM 8.0
ETIM 9.0
ETIM 10.0
ECLASS 9.0
ECLASS 9.1
ECLASS 10.0
ECLASS 11.0
ECLASS 12.0
ECLASS 13.0
ECLASS 14.0
ECLASS 15.0