LSF-SMD 5.00/07/90 SN BK RL

Morsetti per circuito stampato, 5.00 mm, Numero di poli: 7, 90°, nero, PUSH IN con attuatore, Campo di sezioni, max. : 1.5 mm², Tape

N. articolo 1473820000

Omologazioni

Omologazioni
ROHS
UL File Number Search
N° certificato (cURus)

Dati generali per l’ordinazione

Versione
N. d’ordine
Tipo
GTIN (EAN)
CPZ
Parametri prodotto
Imballaggio

Dimensioni e pesi

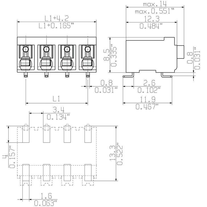
Profondità
Profondità (pollici)
Posizione verticale
Altezza (pollici)
Altezza minima
Larghezza
Larghezza (pollici)
Peso netto

Temperature

Temperatura d'esercizio continuo, max.

Conformità ambientale del prodotto

Stato conformità RoHS
REACH SVHC
Impronta carbonica di prodotto

Parametri del sistema

Famiglia prodotti
Tecnica di collegamento cavi
Montaggio su circuito stampato
Direzione d'uscita del conduttore
Passo in mm (P)
Passo in pollici (P)
Numero di poli
Numero di serie di poli
assemblabile da parte del cliente
quantità di file
Complanarità:
Numero di codoli a saldare per polo
Lunghezza di spellatura
L1 in mm
L1 in pollici
Protezione da contatto accidentale secondo DIN VDE 0470
Protezione da contatto accidentale DIN VDE 57 106
Grado di protezione
Resistenza di passaggio

Dati del materiale

Materiale isolante
Colori
Colore elementi di azionamento
Tabella dei colori (simile)
Gruppo materiali isolanti
Comparative Tracking Index (CTI)
Moisture Level (MSL)
Classe d'infiammabilità UL 94
Materiale dei contatti
Struttura a strati del collegamento a saldare
Temperatura di magazzinaggio, min.
Temperatura di magazzinaggio, max.
Temperatura d'esercizio , min.
Temperatura d'esercizio , max.
Campo della temperatura di montaggio, min.
Campo della temperatura di montaggio, max.

Conduttori adatti al collegamento

Campo di sezioni, min.
Campo di sezioni, max.
Sezione di collegamento cavo AWG, min.
Sezione di collegamento cavo AWG, max.
rigido, min. H05(07) V-U
rigido, max. H05(07) V-U
Flessibile, min. H05(07) V-K
Flessibile, max. H05(07) V-K
con terminale AEH con collare DIN 46 228/4, min.
con terminale AEH con collare DIN 46 228/4, max.
con terminale, DIN 46228 pt 1, min.
con terminale a norma DIN 46 228/1, max.
Conduttore innestabile
Testo di riferimento

Dati di dimensionamento secondo IEC

Testato secondo lo standard
Corrente di dimensionamento, numero minimo di poli (Tu=20 °C)
Corrente di dimensionamento, numero massimo di poli (Tu=20 °C)
Corrente di dimensionamento, numero minimo di poli (Tu=40 °C)
Corrente di dimensionamento, numero massimo di poli (Tu = 40°C)
Tensione di dimensionamento con classe di sovratensione/grado di lordura II/2
Tensione di dimensionamento con classe di sovratensione/grado di lordura III/2
Tensione nominale con classe di sovratensione/grado di lordura III/3
Tensione di dimensionamento con classe di sovratensione/grado di lordura II/2
Tensione di dimensionamento con classe di sovratensione/grado di lordura III/2
Sovratensione nominale con classe di sovratensione/grado di lordura III/3
Portata transitoria

Dati di dimensionamento secondo CSA

Istituto (CSA)
N° certificato (CSA)
Tensione nominale (Gruppo B / CSA)
Tensione nominale (Gruppo D / CSA)
Corrente nominale (Gruppo B / CSA)
Corrente nominale (Gruppo D / CSA)
Sezione di collegamento cavo AWG, min.
Sezione di collegamento cavo AWG, max.
Riferimento ai valori di omologazione

Dati di dimensionamento sec. UL 1059

Istituto (cURus)
N° certificato (cURus)
Tensione nominale (Gruppo B / UL 1059)
Tensione nominale (Gruppo D / UL 1059)
Corrente nominale (Gruppo B / UL 1059)
Corrente nominale (Gruppo D / UL 1059)
Sezione di collegamento cavo AWG, min.
Sezione di collegamento cavo AWG, max.
Riferimento ai valori di omologazione

Imballaggio

Imballaggio di livello ESD
Imballaggio
Lunghezza VPE
Larghezza VPE
Altezza VPE
Profondità nastro (T2)
Larghezza nastro (W)
Profondità tasca nastro (K0)
Altezza tasca nastro (A0)
Larghezza tasca nastro (B0)
Separazione tasca nastro (P1)
Separazione foro nastro (E)
Separazione tasca nastro (F)
Diametro ∅ bobina nastro (A)
Resistenza superficiale

Controlli sulla tipologia

Test: Durabilità delle siglature
Test: Sezione bloccabile
Test per danni ai conduttori e allentamento accidentale degli stessi
Test di estrazione

Nota importante

Conformità IPC
Note

Classificazioni

ETIM 8.0
ETIM 9.0
ETIM 10.0
ECLASS 14.0
ECLASS 15.0