Omologazioni
Omologazioni
ROHS
UL File Number Search
N° certificato (UR)
Dati generali per l’ordinazione
Versione
N. d’ordine
Tipo
GTIN (EAN)
CPZ
Dimensioni e pesi
Profondità
Profondità (pollici)
Posizione verticale
Altezza (pollici)
Larghezza
Larghezza (pollici)
Peso netto
Temperature
Temperatura di magazzinaggio
Temperatura d'esercizio
Conformità ambientale del prodotto
Stato conformità RoHS
Esenzione RoHS (se applicabile/nota)
REACH SVHC
SCIP
Dati di dimensionamento UL
Temperatura d'esercizio UL, max.
Temperatura d'esercizio UL, min.
Tensione DC nominale UN (alimentazione)
Corrente nominale (alimentazione)
Tensione DC nominale UN (ingresso)
Tensione AC nominale UN (uscita)
Jmenovitý proud Imax. (výstup)
Caratteristiche generali
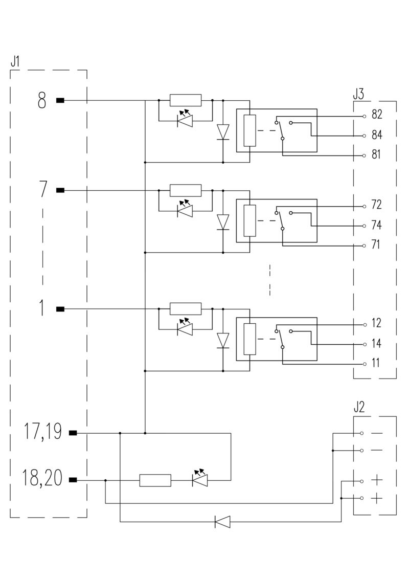
Indicatore di stato a LED per relè
Fusibile per relè
Stato LED tensione di alimentazione
Fusibile alimentazione tensione
Dati di collegamento
Collegamento (lato campo)
Collegamento (lato comando)
Numero di poli (lato comando)
Specifiche tecniche
Durata meccanica
Dati di dimensionamento ingresso
Tensione d'ingresso
Corrente d'ingresso
Dati di dimensionamento uscita
Tipo di relè
Tipo di uscita
Materiale dei contatti
Tensione nominale
Corrente AC permanente max.
Corrente di contatto min.
Tensione di contatto min.
Coordinate di isolamento (EN50178)
Grado di lordura
Controllo resistenza agli impulsi
Tensione di prova isolamento AC
Coordinate di isolamento (EN50178)
Tensione d'ingresso nominale
Tensione d'uscita nominale
Classe di sovratensione ingresso/uscita
Classe per l'installazione uscita/uscita
Grado di lordura
Controllo resistenza agli impulsi
Tensione di prova isolamento AC
Distanza ingresso/uscita
Collegamento campo
Campo di serraggio, max.
Campo di serraggio, min.
Fisso, min. H05(07) V-U
Flessibile con boccola, max.
Flessibile, max. H05(07) V-K
Flessibile, min. H05(07) V-K
Lunghezza di spellatura
rigido, max. H05(07) V-U
Sezione di collegamento cavo max, AWG
Sezione di collegamento cavo min, AWG
Tipo di collegamento
Collegamento alimentazione
Campo di serraggio, min.
Campo di serraggio, max.
Classificazioni
ETIM 8.0
ETIM 9.0
ETIM 10.0
ECLASS 14.0
ECLASS 15.0