UR20-FBC-CAN

Cabecera de bus de campo de E/S remoto, IP20, CANopen

N.º de artículo 1334890000

Homologaciones

Homologaciones
ROHS
UL File Number Search
N.º de certificado (cULus)
N.º de certificado (cULusEX)

Datos generales para pedido

Versión
Código
Tipo
GTIN (EAN)
Cantidad

Dimensiones y pesos

Profundidad
Profundidad (pulgadas)
Altura
Altura (pulgadas)
Anchura
Anchura (pulgadas)
Medida de fijación, altura
Peso neto

Temperaturas

Temperatura de almacenamiento
Temperatura de servicio

Conformidad medioambiental del producto

Estado de cumplimiento de la directiva RoHS
Exención RoHS (si procede/conocida)
REACH SVHC
SCIP

Datos de conexión

Sección de conexión del conductor, flexible, max.
Sección de conexión del conductor, flexible, máx. (AWG)
Sección de conexión del conductor, flexible, mín.
Sección de conexión del conductor, flexible, mín. (AWG)
Sección de conexión del conductor, rígido, max.
Sección de conexión del conductor, rígido, min.
Sección de conexión del conductor, rígido, máx. (AWG)
Sección de conexión del conductor, rígido, mín. (AWG)
Tipo de conexión

Datos generales

Carril de montaje
Categoría de sobretensión
Grado de polución
Grado inflamabilidad según UL 94
Humedad del aire (almacenamiento)
Humedad del aire (funcionamiento)
Humedad del aire (transporte)
Presión del aire (almacenamiento)
Presión del aire (funcionamiento)
Presión del aire (transporte)
Resistencia a vibraciones
Shock
Tensión de prueba

Alimentación

Consumo de corriente desde Isys, typ.
Corriente de alimentación del sistema, máx
Corriente de alimentación para IENTRADA (línea de corriente de entrada) , máx.
Corriente de alimentación para ISALIDA (línea de corriente de salida) , máx.
Tensión de alimentación
Tensión de alimentación para salidas
Tensión de alimentación y entradas

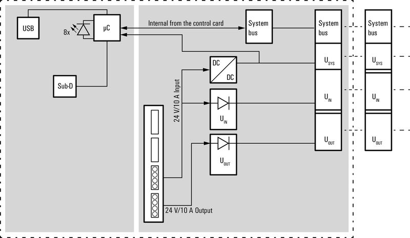
Datos del sistema

Conexión
Datos de diagnóstico
Datos de parámetros
Datos de procesos
Interfaz
Interfaz para la configuración
Número máx. de módulos
Protocolo bus de campo
Tipo de módulo
Velocidad de transmisión bus de sistema, máx.
Velocidad de transmisión de bus de campo, máx.

Indicación importante

Información de producto

Clasificaciones

ETIM 6.0
ETIM 7.0
ETIM 8.0
ETIM 9.0
ETIM 10.0
ECLASS 9.0
ECLASS 9.1
ECLASS 10.0
ECLASS 11.0
ECLASS 12.0
ECLASS 13.0
ECLASS 14.0
ECLASS 15.0