SAI-M23-BE-17

Dit product is binnenkort niet meer beschikbaar.

Laatste besteldatum: /Date(1798671600000)/

Sensor/Actuator plug-in connector, Insert

Product ID 1170110000

Approvals

Approvals
ROHS
UL File Number Search
Certificate No. (UR)

General ordering data

Version
Order No.
Type
GTIN (EAN)
Qty.
Delivery status
Last order date

Dimensions and weights

Net weight

Environmental Product Compliance

RoHS Compliance Status
REACH SVHC

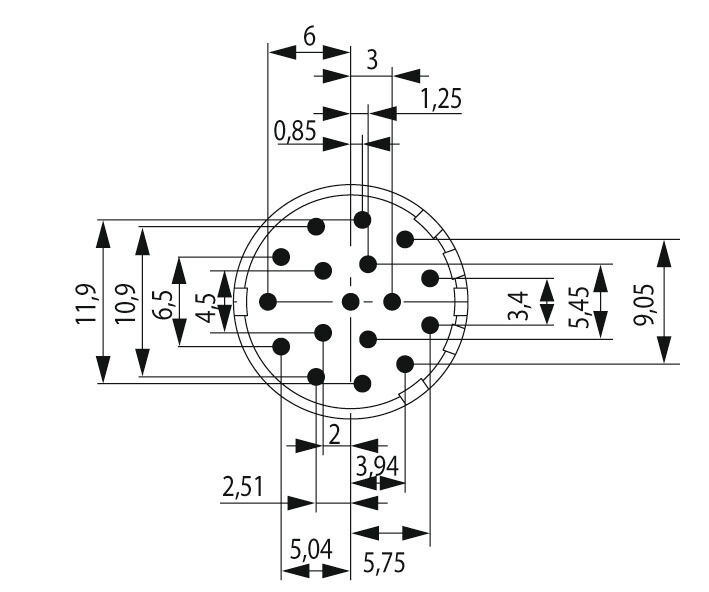
Technical data customisable plug-in connectors

Coding
Coding possibilities for M23 signal inserts
Gender of contact
Housing main material
Nominal current
Nominal voltage
Number of poles
Plugging cycles
Pollution severity
Rated current
Type of connection

Classifications

ETIM 8.0
ETIM 9.0
ETIM 10.0
ECLASS 14.0
ECLASS 15.0