UR20-FBC-DN

Accoppiatore bus di campo remoto I/O, IP20, DeviceNet

N. articolo 1334900000

Omologazioni

Omologazioni
ROHS
UL File Number Search
N° Certificato (cULus)
Certificato Nr. (cULusEX)

Dati generali per l’ordinazione

Versione
N. d’ordine
Tipo
GTIN (EAN)
CPZ

Dimensioni e pesi

Profondità
Profondità (pollici)
Posizione verticale
Altezza (pollici)
Larghezza
Larghezza (pollici)
Altezza di fissaggio
Peso netto

Temperature

Temperatura di magazzinaggio
Temperatura d'esercizio

Conformità ambientale del prodotto

Stato conformità RoHS
Esenzione RoHS (se applicabile/nota)
REACH SVHC
SCIP

Dati di collegamento

Sezione di collegamento cavo, flessibile, max.
Sezione di collegamento cavo, flessibile, max. (AWG)
Sezione di collegamento cavo, flessibile, min.
Sezione di collegamento cavo, flessibile, min. (AWG)
Sezione di collegamento cavo, rigido, max.
Sezione di collegamento cavo, rigido, max. (AWG)
Sezione di collegamento cavo, rigido, min.
Sezione di collegamento cavo, rigido, min. (AWG)
Tipo di collegamento

Dati generali

Classe d'infiammabilità UL 94
Classe di sovratensione
Grado di lordura
Guida equipaggiata
Pressione aria (funzionamento)
Pressione aria (stoccaggio)
Pressione aria (trasporto)
Resistenza alle vibrazioni
Tensione di prova
Umidità dell'aria (funzionamento)
Umidità dell'aria (stoccaggio)
Umidità dell'aria (trasporto)
Urti

Alimentazione elettrica

Assorbimento di corrente da Isistip.
Corrente d'alimentazione per IINGRESSO (percorso corrente d'ingresso) , max.
Corrente d'alimentazione per IUSCITA(percorso corrente d'uscita) , max.
Corrente di alimentazione per il sistema, max.
Ingressi e sistema della tensione di alimentazione
Tensione di alimentazione
Tensione di alimentazione per uscite

Dati di sistema

collegamento
Dati di processo
Dati diagnostici
Dati parametrici
Interfaccia
Interfaccia di configurazione
Numero max. di moduli
Protocollo bus di campo
Tipo di modulo
Velocità di trasmissione del bus di sistema, max.
Velocità di trasmissione di bus di campo, max.

Nota importante

Informazioni sul prodotto

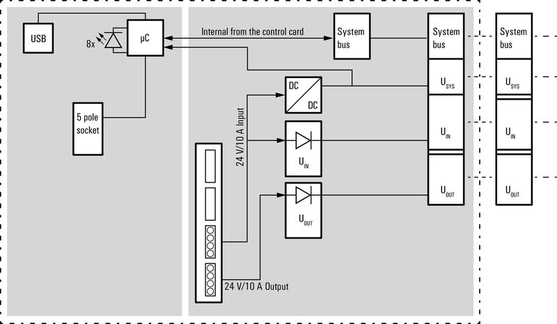
Illustrazione del prodotto

Titolo dell'immagine 02
Disegno legenda-02

Classificazioni

ETIM 8.0
ETIM 9.0
ETIM 10.0
ECLASS 14.0
ECLASS 15.0