LSF-SMT 3.81/24/180 1.5SN BK TU

Printed circuit board terminals, 3.81 mm, Number of poles: 24, 180°, Solder pin length (l): 1.5 mm, black, PUSH IN with actuator, Clamping range, max. : 1.5 mm², Tube

Ürün No. 1870130000

Approvals

Approvals
ROHS
UL File Number Search
Certificate No. (cURus)

General ordering data

Version
Order No.
Type
GTIN (EAN)
Qty.
Product data
Packaging

Dimensions and weights

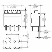
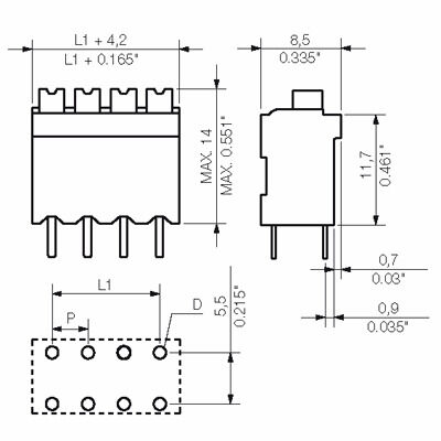
Depth
Depth (inches)
Height
Height (inches)
Height of lowest version
Width
Width (inches)
Net weight

Temperatures

Continuous operating temp., max.

Environmental Product Compliance

RoHS Compliance Status
REACH SVHC

System parameters

Product family
Wire connection method
Mounting onto the PCB
Conductor outlet direction
Pitch in mm (P)
Pitch in inches (P)
Number of poles
Pin series quantity
Fitted by customer
Number of rows
Solder pin length (l)
Solder pin length tolerance
Solder pin dimensions
Solder pin dimensions = d tolerance
Solder eyelet hole diameter (D)
Solder eyelet hole diameter tolerance (D)
Number of solder pins per pole
Stripping length
L1 in mm
L1 in inches
Touch-safe protection acc. to DIN VDE 0470
Touch-safe protection acc. to DIN VDE 57 106
Protection degree
Volume resistance

Material data

Insulating material
Colour
Colour chart (similar)
Insulating material group
Comparative Tracking Index (CTI)
Moisture Level (MSL)
UL 94 flammability rating
Contact material
Layer structure of solder connection
Storage temperature, min.
Storage temperature, max.
Operating temperature, min.
Operating temperature, max.
Temperature range, installation, min.
Temperature range, installation, max.

Conductors suitable for connection

Clamping range, min.
Clamping range, max.
Wire connection cross section AWG, min.
Wire connection cross section AWG, max.
Solid, min. H05(07) V-U
Solid, max. H05(07) V-U
Flexible, min. H05(07) V-K
Flexible, max. H05(07) V-K
w. plastic collar ferrule, DIN 46228 pt 4, min.
w. plastic collar ferrule, DIN 46228 pt 4, max.
w. wire end ferrule, DIN 46228 pt 1, min.
w. wire end ferrule, DIN 46228 pt 1, max.
Clampable conductor
Reference text

Rated data acc. to IEC

tested acc. to standard
Rated current, min. number of poles (Tu=20°C)
Rated current, max. number of poles (Tu=20°C)
Rated current, min. number of poles (Tu=40°C)
Rated current, max. number of poles (Tu=40°C)
Rated voltage for surge voltage class / pollution degree II/2
Rated voltage for surge voltage class / pollution degree III/2
Rated voltage for surge voltage class / pollution degree III/3
Rated impulse voltage for surge voltage class/ pollution degree II/2
Rated impulse voltage for surge voltage class/ pollution degree III/2
Rated impulse voltage for surge voltage class/ contamination degree III/3
Short-time withstand current resistance

Rated data acc. to CSA

Institute (CSA)
Certificate No. (CSA)
Rated voltage (Use group B / CSA)
Rated voltage (Use group D / CSA)
Rated current (Use group B / CSA)
Rated current (Use group D / CSA)
Wire cross-section, AWG, min.
Wire cross-section, AWG, max.
Reference to approval values

Rated data acc. to UL 1059

Institute (cURus)
Certificate No. (cURus)
Rated voltage (Use group B / UL 1059)
Rated voltage (Use group D / UL 1059)
Rated current (Use group B / UL 1059)
Rated current (Use group D / UL 1059)
Wire cross-section, AWG, min.
Wire cross-section, AWG, max.
Reference to approval values

Packing

Packaging
VPE length
VPE width
VPE height
Surface resistance

Type tests

Test: Durability of markings
Test: Clampable cross section
Test for damage to and accidental loosening of conductors
Pull-out test

Important note

IPC conformity
Notes

Classifications

ETIM 6.0
ETIM 7.0
ETIM 8.0
ETIM 9.0
ETIM 10.0
ECLASS 9.0
ECLASS 9.1
ECLASS 10.0
ECLASS 11.0
ECLASS 12.0
ECLASS 13.0
ECLASS 14.0
ECLASS 15.0