TGD ELM-4 CL2

Electronic load monitoring

Produkt ID 2656670000

Approvals

Approvals
ROHS
UL File Number Search
Certificate no. (cULus)

General ordering data

Version
Order No.
Type
GTIN (EAN)
Qty.

Dimensions and weights

Depth
Depth (inches)
Height
Height (inches)
Width
Width (inches)
Net weight

Temperatures

Storage temperature
Operating temperature

Environmental Product Compliance

RoHS Compliance Status
RoHS Exemption (if applicable/known)
REACH SVHC
SCIP

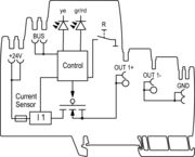
Input

DC input voltage range
Input fuse (internal)
max. admissible residual ripple at the input
Rated input voltage

Output

Adjustable rated current
Capacitive load
Connection system
Rated current
Rated current (per channel)
Triggering characteristic

General data

Conformal coating
Function key
MTTF
Protection degree
Relay to activate the output
Surge voltage category

Insulation coordination

Surge voltage category

Connection data (output)

Conductor cross-section, AWG/kcmil , max.
Conductor cross-section, AWG/kcmil , min.
Conductor cross-section, flexible , max.
Conductor cross-section, flexible , min.
Conductor cross-section, rigid , max.
Conductor cross-section, rigid , min.
Connection system
Number of terminals
Screwdriver blade

Signalling

LED green
Red LED
Yellow LED

Classifications

ETIM 6.0
ETIM 7.0
ETIM 8.0
ETIM 9.0
ETIM 10.0
ECLASS 9.0
ECLASS 9.1
ECLASS 10.0
ECLASS 11.0
ECLASS 12.0
ECLASS 13.0
ECLASS 14.0
ECLASS 15.0