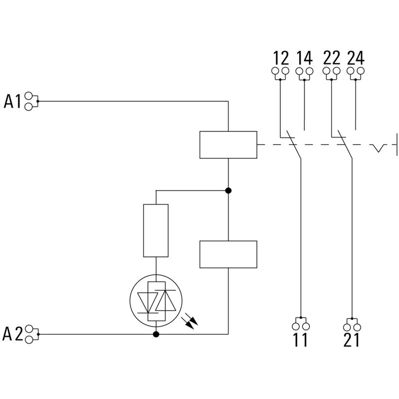
DRIKITP230VAC 2CO LD/PB

D-SERIES DRI, Módulo de relé, Número de contactos: 2, Contacto conmutado AgSnO, Tensión de mando nominal: 230 V AC, Intensidad permanente: 5 A, PUSH IN, Pulsador de prueba disponible: Sí

N.º de artículo 2576150000

Homologaciones

Homologaciones
ROHS

Datos generales para pedido

Versión
Código
Tipo
GTIN (EAN)
Cantidad

Dimensiones y pesos

Profundidad
Profundidad (pulgadas)
Altura
Altura (pulgadas)
Anchura
Anchura (pulgadas)
Peso neto

Temperaturas

Temperatura de almacenamiento
Temperatura ambiente
Humedad

Conformidad medioambiental del producto

Estado de cumplimiento de la directiva RoHS
REACH SVHC

Lado de mando

Tensión de mando nominal
Intensidad nominal AC
Potencia nominal
Resistencia inductiva
Indicador de estado

Lado de carga

Tensión nominal de conexión
Intensidad permanente
Frecuencia de conex. máx. con carga nom.
Tensión de conex. AC, max.
Tensión de conex. DC, max.
Potencia de conexión mínima
Potencia de conmutación AC (óhmica), máx.
Potencia de conmutación DC (óhmica), máx.
Retardo de conexión
Retardo en la desconexión
Tipo de contacto
Vida útil mecánica

Datos generales

Carril de montaje
Pulsador de prueba disponible
Versión del pulsador de prueba
Indicador de posición del interruptor mecánico
Color
Componente de índice de inflamabilidad UL94

Coordinación de aislamiento

Tensión nominal
Grado de polución
Categoría de sobretensión
Grupo de materiales aislantes
Distancia de fuga y aire Entrada/Salida
Resistencia a tensiones eléctricas, E/S
Resistencia a tensiones dieléctricas de contactos adyacentes
Resistencia a tensiones dieléctricas de contacto abierto
Sobretensión de choque fijo
Resistencia a sobretensión en contactos adyacentes
Tipo de protección

Información adicional sobre homologaciones/normas

Núm. de certificación (cURus) relé
Núm. de certificación (cURus) base

Datos de conexión

Técnica de conexión de conductores
Longitud de desaislado, conexión nominal
Sección de embornado, conexión nominal
Sección de embornado, mín.
Sección de embornado, máx.
Sección de conexión del conductor AWG, min.
Sección de conexión del conductor, rígido, min.
Sección de conexión del conductor, rígido, max.
Sección de conexión del conductor, flexible, mín.
Sección de conexión del conductor, flexible, max.
Sección del conductor, flexible con terminales tubulares DIN 46228/4, mín.
Sección del conductor, flexible con terminales tubulares DIN 46228/4, máx.
Sección de conexión del conductor, flexible, term. tub. (DIN 46228-1), min.
Sección de conexión del conductor, flexible, term. tub. (DIN 46228-1), max.
Dimens. caña destornillador

Clasificaciones

ETIM 6.0
ETIM 7.0
ETIM 8.0
ETIM 9.0
ETIM 10.0
ECLASS 9.0
ECLASS 9.1
ECLASS 10.0
ECLASS 11.0
ECLASS 12.0
ECLASS 13.0
ECLASS 14.0
ECLASS 15.0