SV 7.62IT/04/270MF4 3.5SN BK BX

Connettore per circuito stampato, Connettore maschio, chiuso lateralmente, Flangia centrale, Collegamento a saldare THT, 7.62 mm, Numero di poli: 4, 270°, Lunghezza spina a saldare (l): 3.5 mm, stagnato, nero, Box

N. articolo 1156530000

Omologazioni

Omologazioni
ROHS
UL File Number Search
N° certificato (cURus)

Dati generali per l’ordinazione

Versione
N. d’ordine
Tipo
GTIN (EAN)
CPZ
Parametri prodotto
Imballaggio

Dimensioni e pesi

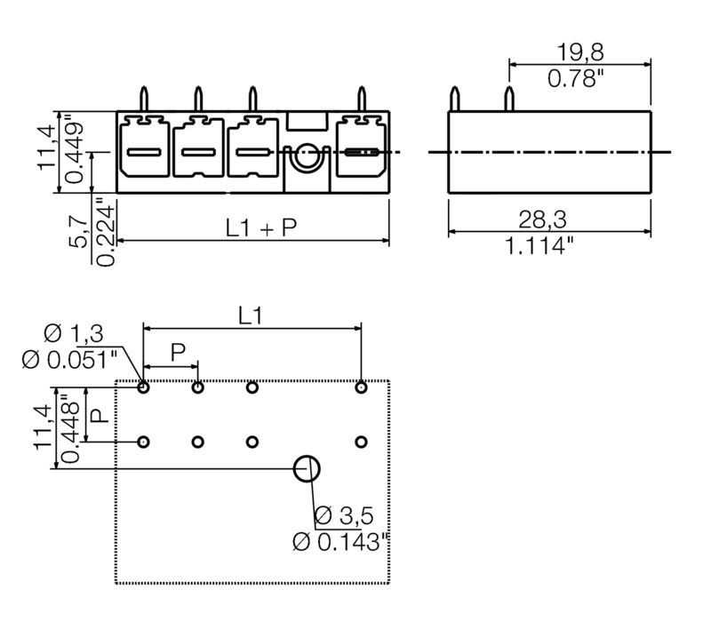
Profondità
Profondità (pollici)
Posizione verticale
Altezza (pollici)
Larghezza
Larghezza (pollici)
Peso netto

Conformità ambientale del prodotto

Stato conformità RoHS
REACH SVHC

Specifiche di sistema

Famiglia prodotti
Tipo di collegamento
Montaggio su circuito stampato
Passo in mm (P)
Passo in pollici (P)
Angolo di uscita
Numero di poli
Numero di codoli a saldare per polo
Lunghezza spina a saldare (l)
Tolleranza della lunghezza del codolo a saldare
Dimensioni del codolo a saldare
Diametro foro di equipaggiamento (D)
Tolleranza diametro di equipaggiamento (D)
L1 in mm
L1 in pollici
quantità di file
Numero di serie di poli
Protezione da contatto accidentale DIN VDE 57 106
Protezione da contatto accidentale secondo DIN VDE 0470
Grado di protezione
Resistenza di passaggio
Codificabile

Dati del materiale

Materiale isolante
Colori
Tabella dei colori (simile)
Gruppo materiali isolanti
Comparative Tracking Index (CTI)
Classe d'infiammabilità UL 94
Materiale dei contatti
Superficie dei contatti
Struttura a strati del collegamento a saldare
Struttura a strati del connettore maschio
Temperatura di magazzinaggio, min.
Temperatura di magazzinaggio, max.
Temperatura d'esercizio , min.
Temperatura d'esercizio , max.
Campo della temperatura di montaggio, min.
Campo della temperatura di montaggio, max.

Dati di dimensionamento secondo IEC

Testato secondo lo standard
Corrente di dimensionamento, numero minimo di poli (Tu=20 °C)
Corrente di dimensionamento, numero massimo di poli (Tu=20 °C)
Corrente di dimensionamento, numero minimo di poli (Tu=40 °C)
Corrente di dimensionamento, numero massimo di poli (Tu = 40°C)
Tensione di dimensionamento con classe di sovratensione/grado di lordura II/2
Tensione di dimensionamento con classe di sovratensione/grado di lordura III/2
Tensione nominale con classe di sovratensione/grado di lordura III/3
Tensione di dimensionamento con classe di sovratensione/grado di lordura II/2
Tensione di dimensionamento con classe di sovratensione/grado di lordura III/2
Sovratensione nominale con classe di sovratensione/grado di lordura III/3
Portata transitoria
Distanza in aria, min.
Distanza superficiale, min.

Dati di dimensionamento secondo CSA

Istituto (CSA)
N° certificato (CSA)
Tensione nominale (Gruppo B / CSA)
Tensione nominale (Gruppo C / CSA)
Tensione nominale (Gruppo D / CSA)
Corrente nominale (Gruppo B / CSA)
Corrente nominale (Gruppo C / CSA)
Corrente nominale (Gruppo D / CSA)
Riferimento ai valori di omologazione

Dati di dimensionamento sec. UL 1059

Istituto (cURus)
N° certificato (cURus)
Tensione nominale (Gruppo B / UL 1059)
Tensione nominale (Gruppo C / UL 1059)
Tensione nominale (Gruppo D / UL 1059)
Tensione nominale (Gruppo F / UL 1059)
Corrente nominale (Gruppo B / UL 1059)
Corrente nominale (Gruppo C / UL 1059)
Corrente nominale (Gruppo D / UL 1059)
Corrente nominale (Gruppo F / UL 1059)
Distanza in aria, min.
Distanza superficiale, min.
Riferimento ai valori di omologazione

Imballaggio

Imballaggio
Lunghezza VPE
Larghezza VPE
Altezza VPE

Nota importante

Conformità IPC
Note

Classificazioni

ETIM 8.0
ETIM 9.0
ETIM 10.0
ECLASS 14.0
ECLASS 15.0